Material: Carbon Steel.
Surface Finish: Hot Dip Galvanized and plain.
Size: DN800,DN900,DN1000, etc.
Shanghai Metal Corporation is a professional manufacturer and supplier of Steel Cable Reels with high quality and reasonable price.
Steel Cable Reels are industrial equipment specifically designed for winding, storing, and transporting steel cables. Typically crafted from high-strength steel (e.g., Q235B, ASTM A36), they adopt an open-frame structure with two side plates and a central shaft—often enhanced with anti-corrosion treatments like hot-dip galvanizing or epoxy coating to withstand harsh environments. Their core functions include securing cables to avoid damage, enabling easy lifting (via integrated lugs), and supporting efficient cable deployment. They are widely used in sectors such as power transmission (for high-voltage cables), construction (elevators, cranes), marine engineering (anchor chains), and mining.
If you want to know more about our Steel Cable Reels price, please feel free to contact us, we will reply you within 24 hours.
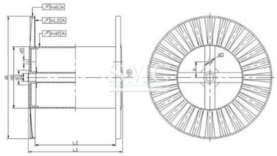
Technical Information of Steel Cable Reel:
Steel cable reel production must comply with international/industry technical specifications to ensure consistency and reliability. The structural design of steel cable reels must strike a balance between "load-bearing capacity" and "operational convenience". Shaft diameter and side plate thickness directly affect the maximum load.Embedded Anchor Channel are usually paired with T-bolts in engineering installations.

|
Corrugated Bobbin |
|||||||||
|
Specification/Type |
d1 |
d2 |
d3 |
d4 |
d5 |
e |
L1 |
L2 |
V1/dm³ |
|
800 |
800 |
400 |
100 |
80 |
28-40 |
160 |
600 |
500 |
188.5 |
|
900 |
900 |
450 |
160 |
670 |
560 |
267.2 |
|||
|
1000 |
1000 |
500 |
750 |
630 |
371.1 |
||||
|
1150 |
1150 |
560 |
850 |
710 |
524.6 |
||||
|
1250 |
1250 |
630 |
950 |
800 |
732.4 |
||||
|
1400 |
1400 |
710 |
300 |
1060 |
900 |
1029.1 |
|||
|
1600 |
1600 |
800 |
70-130 |
1180 |
1000 |
1508.0 |
|||
|
1800 |
1800 |
1000 |
200 |
100 |
1320 |
1120 |
1970.4 |
||
|
2000 |
2000 |
1120 |
250 |
125 |
1500 |
1250 |
2695.5 |
||
|
2240 |
2240 |
1250 |
1700 |
1400 |
3799.1 |
||||
|
2500 |
2500 |
1500 |
1900 |
1600 |
5026.5 |
||||
|
2800 |
2800 |
1800 |
280 |
140 |
2120 |
1800 |
6503.1 |
||
|
3150 |
3150 |
1900 |
300 |
160 |
500 |
2300 |
2000 |
9915.6 |
|
Packaging of Steel Cable Reel:
Shanghai Metal Corporation Products are packed and labeled according to the regulations and customer's requests. Great care is taken to avoid any damage which might be caused during storage or transportation. In addition, clear labels are tagged on the outside of the packages for easy identification of the product I. D. and quality information.
1)SMC Standard
2)Customization
