Valve body material: Carbon steel (C), SS304 (P), SS316 (R)
Nominal diameter: DN15~DN200
Sealing material: PTFE (F)
Line material:FEP (F46), PFA (PFA)
Medium temperature: W2: -20~150℃, W7: -20~180℃
Shanghai Metal Corporation is experienced manufacturer of corrosion resistant valve in China since 1980s.
Fully lined fluorine valve is a special type of valve, also known as fluorine plastic lined corrosion-resistant valve. The main feature of this type of valve is that it is entirely lined with fluoroplastics, which gives the valve excellent corrosion resistance. The fully lined fluorine valve can resist various concentrations of sulfuric acid, hydrochloric acid, hydrofluoric acid, aqua regia, as well as corrosive medium such as organic acids, strong acids, and strong oxidants. Therefore, fully lined fluorine valves can be widely used in these corrosive medium pipelines.
If you want to know more about fully lined fluorine valve price, please feel free to contact us, we will reply you within 24 hours.
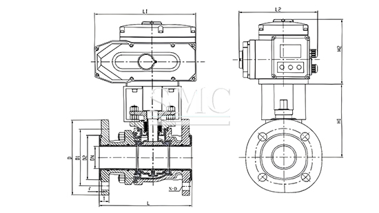
Technical Information of Fully Lined Fluorine Valve:

|
ELECTRIC OVERALL DIMENSIONS CHART-PN16(16bar) |
|||||||||||
|
DN |
Overall Dimension |
Connection Dimension |
|||||||||
|
|
L |
L1 |
L2 |
H1 |
H2 |
D |
D1 |
D2 |
T |
f |
n-d |
|
15 |
140 |
165/320 |
150/220 |
88 |
135/270 |
95 |
65 |
45 |
16 |
2 |
4-14 |
|
20 |
140 |
165/320 |
150/220 |
93 |
135/270 |
105 |
75 |
58 |
16 |
2 |
4-14 |
|
25 |
150 |
165/320 |
150/220 |
100 |
135/270 |
115 |
85 |
68 |
18 |
2 |
4-14 |
|
32 |
165 |
165/320 |
150/220 |
120 |
135/270 |
140 |
100 |
78 |
18 |
2 |
4-18 |
|
40 |
180 |
190/320 |
170/220 |
126 |
140/270 |
150 |
110 |
88 |
18 |
2 |
4-18 |
|
50 |
200 |
190/320 |
170/220 |
135 |
140/270 |
165 |
125 |
102 |
18 |
2 |
4-18 |
|
65 |
220 |
270/355 |
220/250 |
170 |
170/275 |
185 |
145 |
122 |
18 |
2 |
8-18 |
|
80 |
250 |
270/375 |
220/290 |
185 |
170/315 |
200 |
160 |
138 |
20 |
2 |
8-18 |
|
100 |
280 |
270/375 |
220/290 |
215 |
170/315 |
220 |
180 |
158 |
20 |
2 |
8-18 |
|
125 |
320 |
270/375 |
220/290 |
225 |
170/315 |
250 |
210 |
188 |
22 |
2 |
8-18 |
|
150 |
360 |
270/400 |
220/330 |
230 |
170/360 |
285 |
240 |
212 |
22 |
2 |
8-22 |
|
200 |
457 |
400 |
330 |
260 |
520 |
340 |
295 |
268 |
24 |
2 |
12-22 |
Packaging of Fully Lined Fluorine Valve:
Products of Shanghai Metal Corporation are packed and labeled according to the regulations and customer's requests. Great care is taken to avoid any damage which might be caused during storage or transportation. In addition, clear labels are tagged on the outside of the packages for easy identification of the product I. D. and quality information.
1)SMC Standard
2)Customization
